ملفات البطاقة
|
قم بتحميل الملفات الضرورية لإنجاز هذا المشروع من الرابط التالي: |
الأجزاء الرئيسية
|
|
|||
|
العربية إنجليزية فرنسية |
الرمز في الدارة الكهربائية |
الكمية |
القيمة أو الصيغة |
|
مصحح محاكي USB USB Emulator Debugger Debugger émulateur USB |
|
1 |
U-EC6 |
|
نموذج لاسلكي Wireless Module Module Sans File |
RF-2410M |
1 |
RF-2410M |
|
|
1 |
RF-2410U |
|
|
حساس (مستشعر) لنسبة الرطوبة ودرجة الحرارة Digital Humidity & Temperature Sensor Capteurs d'Humidité et Temperature |
|
1 |
SHT11 |
|
حاملة البطاريات Battery Holder Support de Batterie |
|
1 |
|
|
صندوق بلاستيكي Plastic Enclosure boîte en plastique |
|
1 |
|
|
مقاومة Resistor Resistance |
R1 |
1 |
10 KOhm |
|
مكثف Capacitor Condensateur |
C1 |
1 |
100 nF |
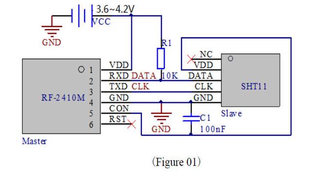
الدارة الكهربائية
|
الدارة العامة كالتالي: |
|
|
تركيب
|
قم بإيصال الأجزاء بعضها ببعض اعتمادا على الدارة الكهربائية السابقة الذكر. |
|
|
|
|
البرامج
|
ابدأ اولا ببرمجة USB Dongle مع Inhaos programming Module.
ثم بعد ذلك قم ببرمجة RF-210M Moduleمع SILABS Debugger.
اتبع الصورة التالية للمساعدة. |
|
|
|
|
||
|
|
||
|
|
||
|
|
||
|
قم أولا بتثبت المشغل (Driver) الخاص بنظامي التشغيل Windows XPو Windows 7.
بعدها، قم بضبط معايير المستشعر أولا كما تراها في الصورة التالية.
ثم قم بإدخال القيم التالية في النافذة الثانية: |
|
|
|
Device UID 2a2b2c RF Channel 110 Temperature & Humidity |
||
|
|
||
|
وأدخل القيم التالية أيضا.
ثم قم بإيصال الجهاز ثم اختبر البيانات. |
|
|
|
|
||
تأليف
تأليف: Aytac Gul (تركيا)
الموقع الإليكتروني: http://www.signal.com.tr
ترجمة بتصرف: محمد السهلي
{jumi [*3]}
المراجع
http://www.instructables.com/id/Wireless-USB-Temperature-Humidity-Datalogger/?ALLSTEPS













