{jumi [*3]}
مواصفات البطاقة
|
التيار الداخل- تيار مستمر 12 فولط و336 ميليأمبير |
Input - 12 VDC @ 336 mA |
|
المخارج – 8 مرحلات SPDT |
Output - eight SPDT relay |
|
نوع المرحلات المستعملة – تيار متناوب ذي 5 أمبير و230 فولط. |
Relay specification - 5 A @ 230 VAC |
|
مستوى الزناد (الإنطلاق) – من 2 إلى 5 فولط (تيار مستمر) |
Trigger level - 2 ~ 5 VDC |
|
مرابط لتسهيل عملية توصيل التغذية الكهربائية |
Berg pins for connecting power and trigger voltage |
|
صمام ضوئي لكل مرحل تدل على حالته |
LED on each channel indicates relay status |
|
يمكنك جعل 4 ثقب ذات قطر 3.2 ملم لتسهيل تثبيتها |
Four mounting holes of 3.2 mm each |
|
يمكنك تصميمها في بطاقة ذات مقياس 169×72ملم |
PCB dimensions 169 mm x 72 mm |
الأجزاء الرئيسية
|
العربية |
الرمز في الدارة الكهربائية |
الكمية |
القيمة أو الصيغة |
|
موصل |
CN1 |
1 |
CONN DB25 |
|
CN2, CN3, CN4, CN5, CN6, CN8, CN9, CN10 |
8 |
SIP3 |
|
|
CN7 |
1 |
CPU2 |
|
|
مكثف |
C1, C2 |
2 |
0.1 uF |
|
C3 |
1 |
100 uF, 25V |
|
|
صمام ضوئي |
D1 |
1 |
LED |
|
مرحل |
RE1, RE2, RE3, RE4, RE5, RE6, RE7, RE8 |
8 |
SPDT |
|
مقاومة |
R1, R2, R3, R4, R5, R6, R7, R8, R9, R10, R11, R12, R13, R14, R15, R16 |
16 |
10 KOhm |
|
R17 |
1 |
220 Ohm |
|
|
قاطع تيار |
SW1 |
1 |
ON/OFF Switch |
|
مشغل دارلينغتون بـ 8 قنوات 8 Channel Darlington Driver Driver Darlington en 8 Cannaux |
U1 |
1 |
ULN2803 |
الدارة الكهربائية
|
|
لا بد من قراءته
|
من فضلك اضطلع على المقالات الثلاث التالية ولو بنظرة خاطفة إذ أنها مهمة في تحويل الدارات الكهربائية إلى بطاقات إلكترونية بمهنية عالية وبصنع يدك فقط:
|
التصميم
|
بالإعتماد على المقال الثاني في لا بد من قرائته يمكنك انجاز البطاقة الإليكترونية بسهولة. |
|
|
احترم عرض وطول البطاقة المشار إليه في الصورة جانبه ثم قم بتحميل التصميم من الرابط التالي:
|
|
تموضع المركبات
|
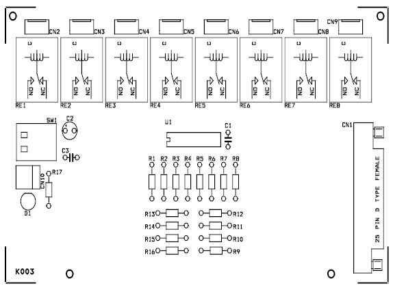
استعن بالصورة جانبه من أجل وضع المركبات الإليكترونية بشكل صحيح في مواقعها على البطاقة. |
|
|
|
|
تركيب
|
تركيب المركبات ليس بالصعب ويمكنك الإستعانة بالصورة النهائية للمنتوج حينما تريد صناعتها. |
|
|
|
|
تأليف
تأليف: Rajkumar Sharma
الموقع الإليكتروني: http://www.rajkumarsharma.com
ترجمة بتصرف: محمد السهلي
{jumi [*3]}
{jumi [*3]}
{jumi [*3]}
المراجع
http://www.electronics-lab.com/projects/pc/009/index.html




